Ваша корзина
CMT Комплект из 2-х ножей 40x4 SP
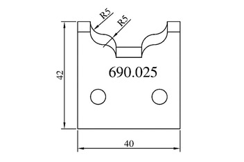
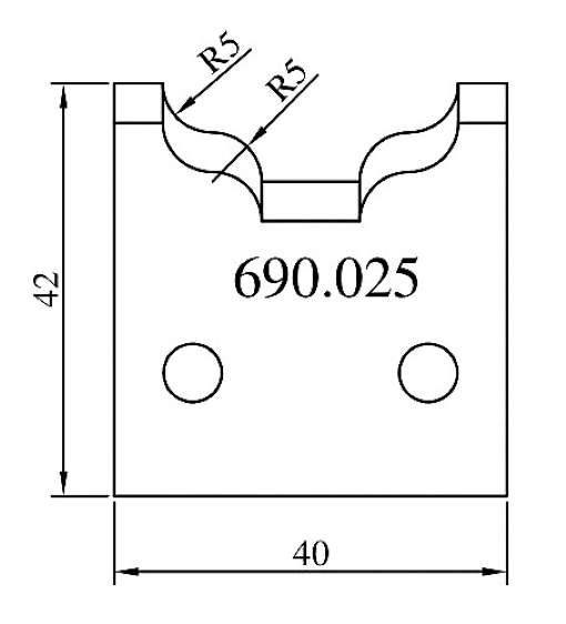
Артикул: 690.025

Гарантия 1
Доставка курьером
- Характеристики
- Описание
- Отзывы (0)
- Вопросы
-
Серия 690 Тип ножей нож профильный для фрез 692/693 Длина (L) 40 мм Толщина (T) 4 мм Материал (Mat) SP Обрабатываемый материал массив мягкие породы -
Комплект из 2-х ножей 40x4 SP
Пара профилированных ножей для вашего шейпера. Изготовлены из легированной стали. Долговечны.
- Изготовлен из легированной стали
- Длительная производительность
- Резьба по дереву и изделиям из дерева
-
Оставить отзыв
Характеристики
Описание
Отзывы (0)